How works the '57-59 turn signal system on Imperial ?

If you look at a '57, '58 or '59 Imperial ther's something different from the other Mopar of the same year : ther's no turn signal lever on the steering column ! The turn signals are actuated with a switch at the bottom of the Torqueflite controls pushbuttons.

The switch is a "on - off - on" push affair on '57 cars (at the top : right turn - at the bottom : left turn - in the middle : canceling) and a much ergonomic toggle switch with a small canceling button on '58 and '59 cars.

As there's no contact plate on the steering shaft the Chrysler engeneers had to imagine a special "automatic canceling switch" on the steering tube. This part (1770 498) has a small plastic pin actuated by the movement of the steering tube. The pin is often broken and then you haven't automatic canceling.

The relays box on the kickpanel, click to enlarge.The third item of the circuit is the relay box which is hidden at the top of the driver's kick panel near the circuit breakers of the seat and windows. This "black box" has a lot of wiring coming to it, 11 terminals !!

Of course ther's also a flasher behind the dash (at the top of the speedo housing ..) and indicator lamps on the dash panel.

As i said the Imperial system is different from the others because ther's no physical movements of parts to cancel the turning lights. No return springs, no breaker plate, etc.. But the system must perform the same connections to turn signal lights AND stop lights ! So the relays of the box are a bit sophisticated. To understand the functions i have opened one of my spare "black box". And if ther's a poor groud somewhere you 'll have erratic functions or "buzzing" sounds ..


 

Here is the schematic of the turn signal circuit (scaned on the '57 FSM). I've colored the wires according to their real colors.

1/  How works the turn signal lever ? (note that the pics are '58-59 switch but the electrical functions are the same on '57). Click on thumbnails to enlarge

When you "toggle" to left or right you ground (via the switch housing) the yellow or grey wire. Note that you ground only when the lever is at right or left, so when the lever return in central "release" position ther's no connection. In fact when you toggle you send an impulsion to the relay box.  We'll learn later how this perform ..

When you hit the small button (or you push the center section for '57 switch) you short wire the two terminals. Ther's no grounded connection at this time, just a shortwire between yellow and gray wires.

In the release position, you must have a small gap between the two terminals extensions and the canceling switch lever

   rear view of the switch
  

 

canceling position

release position


2/ How works the automatic canceling switch on the steering column ?

In the release position all the terminals are grounded. So the orange and violet wires are together grounded. When you steer to the left or the right the pin breaks the corresponding connection, i.e if you steer to the left  it's like an open circuit between the switch and the orange wire. But the violet wire remains grounded !
  


3/ How works the control box ?

This paragraph will be a lot larger and more technical than the two previous !!

First here is a view of the inside of the box. The pic is a bit surexposed and i've add the corresponding numbers seen on the external side and on the schematic. The red numbers are connected to terminals, the blue numbers have no terminals on exterior side.
In fact you've 2 relays which have each 4 contacts !
The primary side (coil) is the 5 - 7  and  6 - 7  pins (one side is internal connected).
The secondary contacts for left relay are 4 - 14  /  4 - 9 (release) - 11 (work)  / 3 - 10 release)  /  6 - 12 .
For right relay: 1 - 8  /  1 - 9 (release) - 11 (work)  / 2 - 12 (release)  /  5 - 10
See schematic , the grey area delimits the internal parts and connections of the relays.

 

This schematic has been drawed from my simulation physical software CrocodilPhysic. With this soft i could test the system on the computer !!! I've made some video so you'll see how the system really works. The animations has been captured with Wink

  release position working position

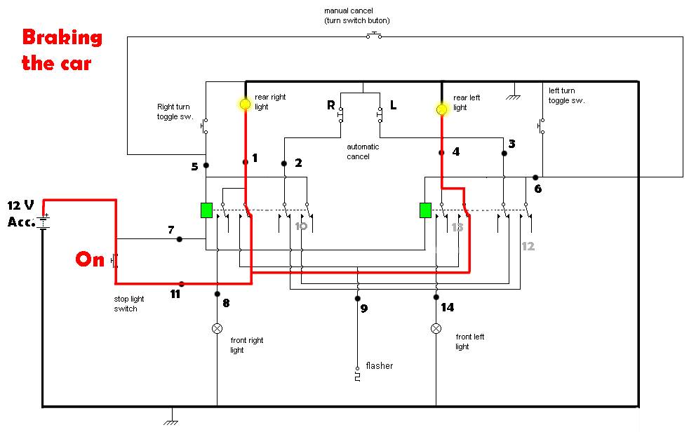
1st schematic: stop lights

When you brake the parts, the stop light switch is actuated and closed the rear lights. The relays are not actuated.


2nd schematic : right turn

red line = + 12 V . Black line = 0 V (ground) . Gold line = blinked 12 V (from flasher)
Note that the circuit is closed via the left relay and the automatic canceling switch of the steering column after the release of the toggle switch.


3rd shematic : canceling the turn with the manual cancel switch

When you push the cancel switch you actuate the left relay (the relay is grounded via the cancel switch and the terminal # 5). So the ground line through the L automatic cancel, the # 3 and #10 terminals is opened. The right relay coil has its circuit and in the same time ther's no ground on the #5 terminal so the left relay opens also (even if you rest on the cancel button). Depending condition you could have one blinking of the 4 lights in a fraction of second..

It's difficult to show all these facts on a whole drawing !! Below i draw the system at the point just after i push the cancel button and before the two relays go off.

->  Click here to see a Flash video captured from my animation software Crocodil Clips


4rd shematic : canceling with a left (re)turn of the steering wheel.

Before seing what happens, note that if you steer to the right, you 'll open the "R" automatic cancel switch but, as its circuit is already opened nothing happens nd the lights still blink !
If you steer to the left, the "L" automatic cancel switch opens the circuit (remember that the L and R are always closed and ground # 2 and 3 terminals). When the circuit is opened, the coil relay can't be grounded via the # 10 and 3 terminals so the right relay releases and the lights are off. Below is the schematic just before right relay opens.

->  Click here to see a Flash video captured from my animation software Crocodil Clips


5th schematic : right turn and braking.

See below. Only the left stop light brights steady.

->  Click here to see a Flash video captured from my animation software Crocodil Clips

 

Failures

(i'll add different failures after testing with my simulation soft)

1st failure (from Rex's Imperial) : ground problem at automatic cancel switch or bad switch
Rex Crews sent me a message about his turn signal system. Seems that here was a problem in the automatic cancel switch or in the right relay because when Rex wants cancel a right turn there was a "buzzing" sound and no cancel. After reading my schematics he remove the automatic cancel switch from the steering and there was something which broke in this switch. Since now he has no cancel at all !!
After understanding the system i think that the ground wiring was broken in the switch.
So i made a simulation and Bingo !! If ther's no ground at this switch the system doesn't work ..

Let's see what's happen :

If ther's a cut in the violet or orange wire (or the two) the relays aren't grounded after release of the toggle switch. So the lights don't blink after release. Note that if only one of the wire (violet or orange) is broken the corresponding side won't blink but if the two wires are broken or if ther's a malfunction in the steering switch you won't have any turn signal after release of the toggle. The only way to repair (if you don't have a spare switch) is to grounded the violet and orange wires. You'll not have automatic canceling but you'll have turn signals !!

->  Click here to see a Flash video captured from my animation software Crocodil Clips

 

"technical page" summary    Home

 Mopar, Chrysler, Dodge & Plymouth are registered trademarks of Chrysler Group LLC Chrysler Imperial France  is in no way affiliated with or sponsored by Chrysler group.LLC